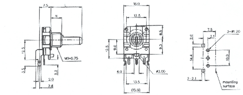
產品規格   


R11EC-A1-XX-1.5


R11EC-D1-XX1.5


R16EC-A1-


R16EC-D1-